
1
Adopting the Delta-sigma analog-to-digital conversion and digital filter processing technology. It is very easy to build a master/slave controlling system via RS232/485serial port with PLC host devices.
Technical parameters
|
Division |
150000 |
|
Display |
LED display |
|
AD converter |
Σ/Δ24 bit AD converter, analog and digtal fitering AD sampling rate:400HZ |
|
Calibration And function |
Calibration :weight-free&weight calibration Filter:Multistage dynamic digtal filter, zero-tracking |
|
Nonlinearity |
Better than 0.002%FS |
|
Load cell |
Excitation voltage:5VDC Number:6*350Ω Type:Four-wire or six-wire |
|
Communction |
RS232、RS485 |
|
installation |
Panel mount |
|
Operating temperature |
-10℃-40℃,non-condensing Housing material:Aluminum shell power:24VDC |
|
Options |
1IN2OUT、Modbus-TCP |
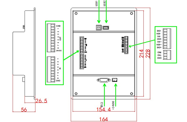
Outline Dimension
●Spport RS232/RS485 Serial communication
●960Hz / 480Hz / 240Hz / 120Hz A/D updating speed
●Multistage dynamic digital filter, meet the demand of high speed dynamic weighing
●Resistance to electromagnetic interference、Shock resistant